找回密码
 注册会员

QQ登录

只需一步,快速开始

扫一扫,访问微社区

查看: 2479|回复: 18

[求助] 高手请进。手头有一产品需要内外圆磨。

  [复制链接]
发表于 2010-6-27 21:54:00 | 显示全部楼层 |阅读模式

马上注册,结交更多好友,享用更多功能,让你轻松玩转磨削论坛

您需要 登录 才可以下载或查看,没有账号?注册会员

×
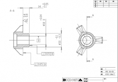
各位师傅们你们好:/ J0 r3 @; e& K6 e- C; z
% I5 ^' T; j8 G; e' w
            我现在有一产品需要加工。麻烦你们帮我排下工艺' q% n" t4 H3 [* O1 s: }* C
客户提供毛胚,我只需做到图纸上的尺寸就行。
5 I7 b1 ?. H% P3 W  m3 ?当然目前毛胚尺寸都有余量的。 铸件三爪.jpg
发表于 2010-6-28 00:01:04 | 显示全部楼层
车:平A面端面 车A面台阶至尺寸,掉头取总长,车φ30至30.3,14至13.8 钻孔膛至17.7 棱角倒钝砂光去毛刺。
- z# T2 q, b5 h+ Y% Y, v磨1:三爪装夹,校φ30外圆磨φ18内孔至尺寸,* _* B% v2 @+ y
磨2:锥度心轴装夹,磨φ30外圆至尺寸,靠端面,14至尺寸,保证光洁度0.8。6 I, j! h8 E0 G% I0 x- z+ f' l
插:插键槽至图纸要求,去毛刺

评分

参与人数 1威望 +30 收起 理由
研磨者 + 30

查看全部评分

 楼主| 发表于 2010-6-28 12:28:40 | 显示全部楼层
本帖最后由 风雨无阻sz 于 2010-6-28 12:32 编辑 + t) H3 N/ U0 A9 X- A+ c$ H' R& e

) M& J( U/ V# E. P+ }0 I回复 2# zpngbrs
3 Y  h% I3 ]  O( [2 X( {- P2 B( v
8 K, N- h# B$ p: r1 Q6 P; S( R1 S$ U8 I# T9 \4 {/ I
    - q( }: s; G1 ]$ C9 {! k
首先感谢你们回复  k8 o5 y0 v) D4 D* X# v
可能我表达的不够清楚
5 P4 t2 E) \' w5 [! i0 z# cA面不用加工的" V$ T# X+ F; z  ?4 }
就是加工图纸上有标尺寸的地方
7 f7 n$ l4 w" B: \% F0 c9 R) J) F9 I.键槽是铸出来的。现在就是想找有这样的专机,专磨内外孔还有刀口。
5 V  M9 e$ I0 F/ q8 g这产品量大。不然不会精铸的。
发表于 2010-6-28 17:03:26 | 显示全部楼层
尺寸精度不是很高,为什么中间端面地方粗糙度要求那么高,RA0.4-0.8,是刀口的原因吗。
& Z6 U1 [% [+ b! K3 P3 X不然的话,这产品直接车床出来,不需要磨。
 楼主| 发表于 2010-6-28 22:19:08 | 显示全部楼层
本帖最后由 风雨无阻sz 于 2010-6-28 22:20 编辑
) n, n0 Y$ M! A
; }7 v- u  r# R' u5 C* K回复 4# 古董1883
0 b1 S( v9 ]# ?0 G
& S" s  J$ Y! U4 g是的+ p5 [2 i9 e4 A3 @8 C9 k& p, c
那刀口要求0.4到0.80 w: M; ~5 _( D) x$ {. `: \
其他地方有标尺寸的都要求光亮.因为要热处理的。& c3 M+ i8 ^8 q0 ~. u
所以想问下大家可有什么好办法。
; Z+ j* M# _, I* v+ c# \. F我在网上查看到一台内外圆工具磨。
5 F4 B, ?2 S" n& U2 t不知能否行。3 e% O7 y$ p7 Q6 }
QQ截图未命名.jpg

评分

参与人数 1威望 +10 收起 理由
研磨者 + 10

查看全部评分

发表于 2010-6-29 00:36:58 | 显示全部楼层
线割不行吗?
发表于 2010-6-29 03:26:02 | 显示全部楼层
像你这种工件要求不是很高,一般的万能磨床就可以达到你所需要的要求。用外磨靠出来的光洁度一样可以达到0.8如果你要求更高可以用研磨膏再精研一下。
 楼主| 发表于 2010-6-29 18:30:17 | 显示全部楼层
回复 6# 254651054 7 b$ {, ^  _) G% u. X* o
兄弟这个一个月要6000件。线割太那个慢了吧
发表于 2010-6-30 19:03:55 | 显示全部楼层
内孔和刀口端面一定要磨出来   其他地方装夹具数控车下吧 你这个是不锈钢的材料吗? 这样的硬度车刀选好很重要
 楼主| 发表于 2010-6-30 19:10:22 | 显示全部楼层
回复 9# 王辉aaa & {- m* N& `0 j" h0 d
) |$ I6 N5 P4 D# _- y; [
9 E1 u  {6 B2 w. k. H: _
    这个材料是轴承钢
" D, h, V6 U  z1 ]热处理后要求50-55
9 @0 Y& |- V, g- q) S5 m2 `1 s不知道有没有专门磨内孔的这个机器
1 }$ H- B* b# _3 s我指简单的速度要快的。
发表于 2010-7-9 21:56:39 | 显示全部楼层
把刃口前的斜度铸成直的。再夹外圆磨内孔.外圆.端面,再窜芯棒开刃。
发表于 2010-7-9 22:47:25 | 显示全部楼层
先磨内孔,  穿心轴磨外圆30端面,磨的方法是很简单的,  主要看零件可不可以做成方便加工的型状,7 t( v9 Q  D, F( {  a' I
7 E7 J! A/ Y0 d5 f3 W
  比如三斜角那个端面可不可以加工磨平,这样做14的尺寸就好做了,
, ~% N, _& X! G) e1 R  先磨内孔,上外圆磨30保证刀口到三斜角端面尺寸,再上平磨,磨到14,这样序多,但做起来快,  D% m% W: @! n0 t% n; L
  要注意的是, 那个R0,   刀口到三斜角端面尺寸怎么磨自己想办法,方法很多。
发表于 2010-7-9 22:53:13 | 显示全部楼层
磨内孔要快的话,就用2110   或者小的万能磨床,我开过M114W  这万能磨床做小零件非常好用,包括做这个零件的外圆。当然条件好,可以用数控磨。
发表于 2010-7-11 21:42:19 | 显示全部楼层
用2110效率较高     配合一台外圆磨   1320即可
发表于 2010-7-22 20:14:00 | 显示全部楼层
用端面磨床,MB1632、、、
发表于 2010-9-1 19:05:16 | 显示全部楼层
毫无疑问 先丢得去內圆磨 再上芯棒
您需要登录后才可以回帖 登录 | 注册会员

本版积分规则

中国磨床技术论坛
论 坛 声 明 郑重声明:本论坛属技术交流,非盈利性论坛。本论坛言论纯属发表者个人意见,与“中国磨削技术论坛”立场无关。 涉及政治言论一律删除,请所有会员注意.论坛资源由会员从网上收集整理所得,版权属于原作者. 论坛所有资源是进行学习和科研测试之用,请在下载后24小时删除, 本站出于学习和科研的目的进行交流和讨论,如有侵犯原作者的版权, 请来信告知,我们将立即做出整改,并给予相应的答复,谢谢合作!

中国磨削网

QQ|Archiver|手机版|小黑屋|磨削技术网 ( 苏ICP备12056899号-1 )

GMT+8, 2026-4-5 18:38 , Processed in 0.221011 second(s), 33 queries .

Powered by Discuz! X3.5

© 2001-2025 Discuz! Team.

快速回复 返回顶部 返回列表